廂式淋雨試驗箱
HJW/PR系列淋雨試驗箱主要用于考核產品外殼、密封件在淋雨試驗后或者在試驗中是否能保證該設備及元器件良好的工作性能和技術狀態。同時產品在運輸和使用的過程中可能受到浸水的影響,為產品技術標準提供引用依據。適用以自然條件為基礎所進行的人工淋雨試驗,不帶有強風速的降雨,不考慮試樣的高溫及雨水溫度差所引起的大量進水。
特點
新一代外觀設計,箱體結構、控制技術均做較大改進,試驗槽和控制柜為一體式,其它系統為暗藏式,美觀大方,安裝極為方便,技術指標更穩定,運行更可靠,維護更方便,備有高檔萬向滾輪,方便在實驗室內移動。
超大觸摸屏操作,外觀更加簡潔大方,操作更加容易,參數設置簡單,無須進入程序菜單,可直接進入參數菜單即可修改,顯示設定值,當前值
大視窗設計,方便觀察淋雨試驗狀態
記錄量大,USB輸出,電腦連接打印,大倉有紙無紙記錄等選配
可靠性高:主要配件選配著名名牌專業廠商,保證提高整機可靠性
技術參數
|
序號 |
型號 |
工作室尺寸 (mm) |
外形尺寸 (mm) |
電源50HZ/總共率(待定) |
|
01 |
HJW/PR-700 |
深:700 寬:700 高:700 |
深:1250 寬:1300 高:2030 |
380V/4KW |
|
02 |
HJW/PR-800 |
深:800 寬:800 高:800 |
深:1290 寬:1500 高:2140 |
380V/5KW |
|
03 |
HJW/PR-010 |
深:1000 寬:1000 高:1000 |
深:1490 寬:1500 高:2140 |
380V/6KW |
|
淋雨水壓 |
3Kpa |
|||
|
水流供水量 |
10公斤(當地自來用水) |
|||
|
技術指標 |
a噴水孔徑:0.4-1.0mm b噴嘴個數:16-20個 c水孔間距:50mm d水環半徑:R375mm(按型號選配) e水管管徑: 20mm f擺管擺角幅度: 60、90、130度 擺速調節無級調節 d流量:24.5升/min h試驗臺轉速:1~17r/min可調 |
|||
|
淋雨周期 |
周期控制,可控制試驗總時間,也可編程淋雨時間及停止時間,作周期運行 |
|||
|
水泵 |
提供有壓力的試驗水源 |
|||
|
流量計 |
水流量計量 |
|||
|
減速機構 |
調速電機 |
|||
|
擺管擺動 |
通過電機/變頻器(施耐德)驅動減速器/偏心輪機構/齒條齒輪等機械傳動實現。利用變頻器調節次數(單位時間內)通過偏心機構調整所需要得角度。 |
|||
|
旋轉工作臺 |
臺面為不銹鋼材料,電機帶動蝸輪減速機旋轉,用變頻器調速,調整合適的轉速。可以正反轉,時間以及轉速可調。 |
|||
|
噴嘴 |
根據試件的大小,箱體的內容積決定擺管的彎曲半徑。噴嘴為可折式專用噴嘴,噴孔可根據標準要求的孔徑隨時更換,可調節噴水方向,使射出的水滴均勻,流量充足 |
|||
|
供水箱 |
不銹鋼制儲水箱,低水位保護,設排水閥 |
|||
|
排水 |
設計在箱體底部可以迅速排放,不會積水。 |
|||
|
箱體材質 |
工作室 |
# 304鏡面不銹鋼(1.2mm) |
||
|
外箱體Outside |
冷軋鋼板靜電噴涂 (1.5mm) |
|||
|
控制 |
原裝進口控制儀表,操作簡單,設定方便,循環周期可調,時間可調 |
|||
|
注 |
非標特殊要求,可定做 |
|||
執行滿足標準及試驗方法
GB/T2423.38-2008電工電子產品環境試驗第2部分:試驗方法R:水試驗方法和導則,Rb沖水(IEC60068-2-18:2000)
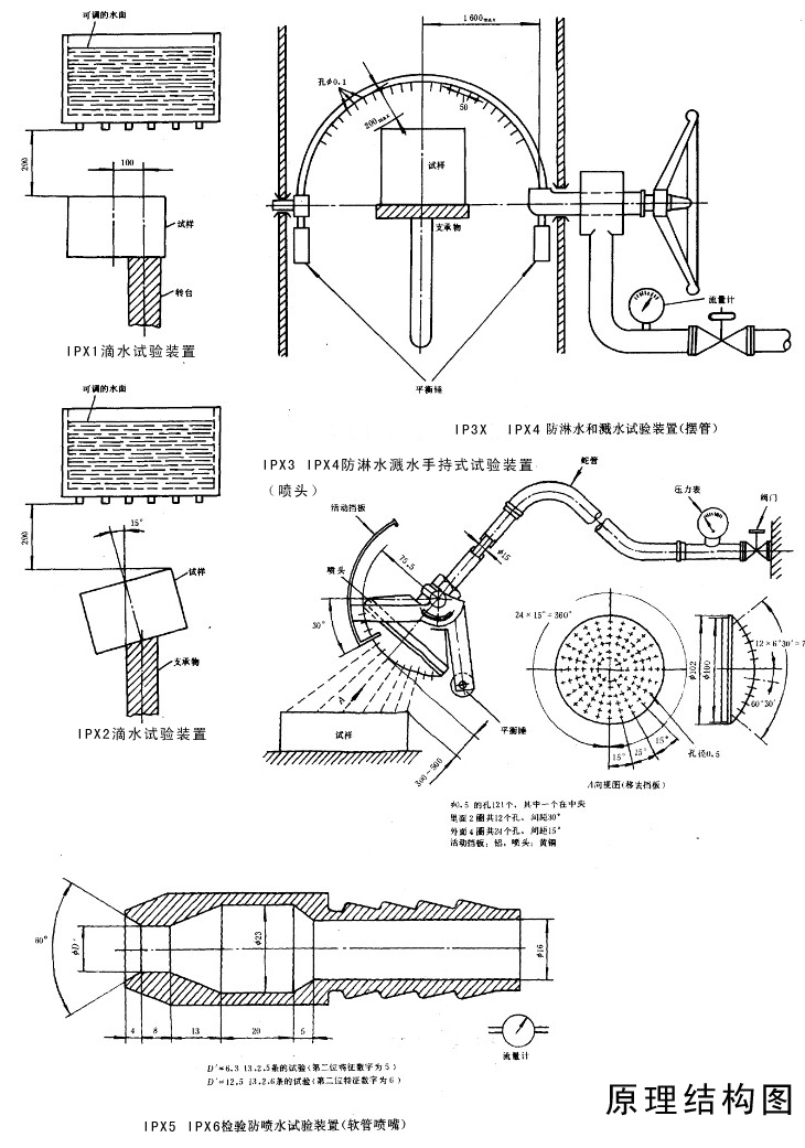
GB/4208-2008外殼防護等級(IP代碼)IPX3、IPX4擺桿試驗方法(IEC60529:2001)
其他
使用環境溫度:+5~+35℃
安全:短路保護、風機過載保護、漏電保護、相序缺相保護、操作人員安全保護、試件保護
附件標準配置
標準樣品架:Aisi304材質轉盤1,擺桿1
高檔腳輪:4
結構材質:
1、內膽材料:SUS3042B高級不銹鋼;2、外殼材料:冷軋鋼板經防銹處理后靜電噴塑;
3、樣品托盤:不銹鋼定制而成,上面刻有排水小孔;
4、觀察窗裝置:三層中空玻璃觀察窗,內附照明裝置;
主要技術參數:
1、擺管擺幅:擺管沿垂線兩邊各擺600,共約1200
2、噴水環半徑:400mm
3、噴水孔徑:φ0.1mm
4、孔徑間距:50mm
5、擺管管徑:φ16mm
6、開孔數:25個
7、每孔平均水流速度qv1=0.07L/min
8、設備配有流量計,總水流量約為1.8L/min
9、擺動速度:每次擺動(2×600)約12S
10、噴水時間可以設定,設定范圍為0~99h 99m 99s
電源:AC220 V±10%、 50Hz
